浙江虎鼎环保科技有限公司
ZHEJIANG HUDING ENVIRONMENTAL PROTECTION TECHNOLOGY CO., LTD.
服务热线
0570-5199666
Menu
网站首页
关于我们
解决方案
新闻资讯
联系我们
新闻资讯
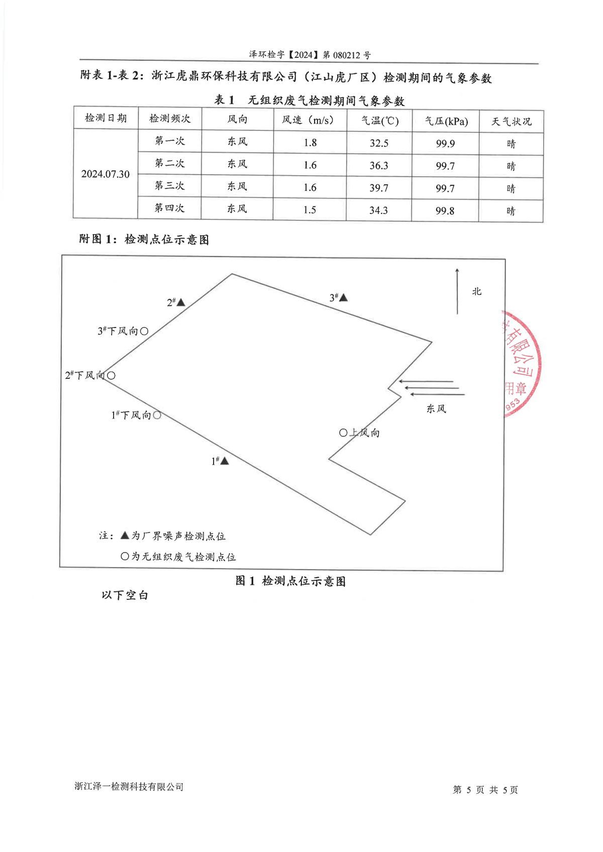
江山虎厂区排污许可委托检测(7月、三季度、半年度)